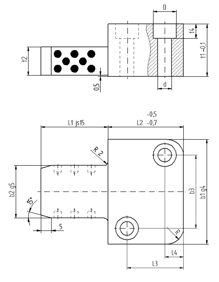
Varianten
| Bestellnummer | L1 | L2 | L3 | L4 | R | d | b1 | b2 | b3 | t1 | t2 | t3 | t4 | D |
|---|---|---|---|---|---|---|---|---|---|---|---|---|---|---|
| GLR01.022.016.020 | 20 | 22 | 15 | 7 | 6 | 6.6 | 40 | 16 | 26 | 20 | 11 | 12 | 6.8 | 11 |
| GLR01.056.040.050 | 50 | 56 | 40 | 15 | 10 | 11 | 85 | 40 | 60 | 36 | 22 | 23 | 11 | 18 |
| GLR01.066.050.112 | 112 | 66 | 48 | 18 | 10 | 14 | 100 | 50 | 74 | 40 | 24 | 25 | 13 | 20 |
| GLR01.066.050.056 | 56 | 66 | 48 | 18 | 10 | 14 | 100 | 50 | 74 | 40 | 24 | 25 | 13 | 20 |
| GLR01.056.040.100 | 100 | 56 | 40 | 15 | 10 | 11 | 85 | 40 | 60 | 36 | 22 | 23 | 11 | 18 |
| GLR01.046.032.080 | 80 | 46 | 35 | 11 | 8 | 9 | 63 | 32 | 45 | 32 | 19 | 20 | 9 | 15 |
| GLR01.046.032.040 | 40 | 46 | 35 | 11 | 8 | 9 | 63 | 32 | 45 | 32 | 19 | 20 | 9 | 15 |
| GLR01.036.025.063 | 63 | 36 | 27 | 9 | 8 | 6.6 | 50 | 25 | 35 | 25 | 14 | 15 | 6.8 | 11 |
| GLR01.036.025.032 | 32 | 36 | 27 | 9 | 8 | 6.6 | 50 | 25 | 35 | 25 | 14 | 15 | 6.8 | 11 |
| GLR01.027.020.050 | 50 | 27 | 19 | 7 | 6 | 6.6 | 45 | 20 | 31 | 22 | 13 | 14 | 6.8 | 11 |
| GLR01.027.020.025 | 25 | 27 | 19 | 7 | 6 | 6.6 | 45 | 20 | 31 | 22 | 13 | 14 | 6.8 | 11 |
| GLR01.022.016.040 | 40 | 22 | 15 | 7 | 6 | 6.6 | 40 | 16 | 26 | 20 | 11 | 12 | 6.8 | 11 |
Zuletzt angesehene Produkte
Zentriereinheit
ZZE02
Winkelleiste
GLL03



